摘要:叙述智能节点在现场总线控制系统中的重要性,提出扩展智能节点I/O点数的方法和电路原理图,并给出采用该智能节点组建的基于LonWorks技术的现场总线控制设备的应用实例。
关键词:LonWorks 智能节点 I/O扩展
随着控制、计算机、通信、网络等技术的发展,现场总线已成为当今工业控制领域技术发展的热点之一。LonWorks现场总线由美国Echelon公司于1993年推出后,由于其开放的网络操作系统、标准的网络通信协议、丰富的介质接口模板、支持多种介质之间相互通信等特点,在工业控制领域得到了广泛应用。目前,已有多种支持LonWorks技术的芯片。Echelon公司的神经元芯片NeuronC3150(简称3150)是一种集3个8位CPU及网络通信协议(LonTalk协议)为一体的芯片。采用该芯片构成的智能节点在LonWorks现场总线控制网络中起着举足轻重的作用,能使现场设备之间相互通信,快速地交换信息,以满足系统实时监控的要求。但是,由于3150神经元芯片只提供了11个通用I/O口,这对于采集量和控制量要求较多的现场设备并不能满足要求,因此研究和开发基于神经元芯片的多点I/O智能节点,是一项有意义的工作。本文提出了扩展智能节点I/O数量的设计方法,并给出采用该智能节点组建基于LonWorks现场总线控制设备的应用实例。

1 Neur onC3150神经元芯片的特点
NeuronC芯片既是LonWorks技术的核心也是智能节点的核心,目前由Toshiba和Motorola两家公司生产,主要包括NeuronC3150和NeuronC3120两种系列。3150芯片中包括E2PROM、RAM存储器,同3120芯片的区别在于它无内部ROM,但具有访问外部存储器的接口,寻址空间可达64
KB。从这一点来说,3150比3120在节点开发上具有更好的灵活性。3150芯片内部带有3个8位微处理器:1个用于链路层的控制,1个用于网络层的控制,1个用于执行用户的应用程序。该芯片还包含11个I/O口和完整的LonTalk通信协议,同时具有通信和控制功能。
2 基于神经元芯片智能节点的开发方法
基于补经元芯片开发的智能节点具有结构简单、成本低等优势,其开发方法可分为两种。①基于控制模块的硬件设计方法。采用这一方法的优势是可缩短产品的开发周期,因为控制模块通常都集成了补经元芯片、;Flash程序存储器、收发器以及RAM等,用户只需设计自己的应用电路即可完成节点开发。②其于收发器的硬件电路设计方法。采用这一方法可以降低节点成本,提高节点的市场竞争力,但是这需要在考虑应用电路设计的同时考虑神经元芯片与Flash存储器及RAM的接口电路。这对于电路板的设计加工及生产工艺的要求都较高。
3 智能节点的电路设计
节点采用主、背板结构。主板上集成有控制电路、通信电路和其它附加电路。智能节点主板结构如图1所示;背板设计为两种多点I/O模块(包括多点数字I/O模块和多点模拟I/O模块);主、背板之间采用统一标准的20针接口。采用主、背板结构设计法,使得此智能节点的应用领域更为广泛,适用性、通用性和功能都大大增强,对于节点应用程序的开发也更为灵活。
3.1 主板电路设计
3.1.1 控制电路
控制电路主要由神经元芯片、片外存储器和主背板接口电路等组成。各元器件功能如下。
①神经元芯片。采用Toshiba公司生产的3150芯片,主要用于提供对节点的控制,实施与Lon网的通信,支持对现场信息的输入输出等应用服务。
②片外存储器。采用Atmel公司生产的AT29C256(Flash存储器)。AT29C256共有32KB的地址空间,其中低16KB空间用来存放神经元芯片的固件(包括LonTalk协议等)。高16KB空间作为节点应用程序的存储区。采用ISSI公司生产的IS61C256作为神经元芯片的外部RAM。
③主、背板接口电路。用于主板与多点I/O模块的电气连接。
3.1.2 通信电路
通信电路的核心——收发器是智能节点与Lon网之间的接口。目前,Echelon公司和其他开发商均提供了用于多种通信介质的收发器模块。本智能节点采用Echelon公司生产的适用于双绞线传输介质的FTT-10A收发器模块。
3.1.3 附加电路
附加电路主要包括晶振电路、复位电路和Service电路等。
①晶振电路。为3150神经元芯片提供工作时钟。
②复位电路。用于在智能节点上电时产生复位操作。另外,节点还将一个低压中断设备与3150的Reset引脚相连,构成对神经元芯片的低压保护设计,提高节点的可靠性稳定性。
③Service电路。专为下载应用程序设计。Service指示灯对诊断神经元芯片固件状态有指示作用。
3.2 I/O扩展电路设计
多点模拟模块主电路如图2所示。TLC2543CN是支持SPI串行总线的11路模拟通道12位逐次逼近型模数转换器。CS(pin
15)片选信号端接IO0;DATA INPUT(pin 17)为串行数据输入,其中4位串行地址用于选择下一个被转换的模拟通道或测试电压寄存器;DATA
OUTPUT(pin 16)输出模数转换的结果;CLK是维持A/D转换正常工作的输入输出时钟。值得注意的是,时钟信号频率较高,任何一点干扰都可能影响模块的正常工作。在CFLK上串联或并联一支电阻可以起到很明显的抗干扰效果,保证A/D模块的稳定(本模块中,CLK接IO8,DATA
INPUT接IO9;DATA OUTPUT接IO10)。TLC2543还有一个特点;IO9输入数据的同时,IO10输出的是上一次A/D转换的值,因此,在编写NeuronC源程序时要注意A/D转换的时序。选用2只旁路电路:一只47μF电解电容,对低频起滤波作用;另一只为0.1μF,对高频起滤波作用。此A/D模块没有选用电压基准,故在A/D芯片的参考电压边上接了1只0.1μF电容,用以去除高频干扰。
3.2.2 多点数字模块设计
多点数字模块主要包括:输入、输出、双向I/O三部分。通过扩展,模块具有16路数字输入通道、15路数字输出通道的3路双向I/O通道。
(1)输入部分
2片8选1数据选择器——74LS151级联,并将3150的IO0~IO3定义为Nibble
Output方式,即半字节输出方式;IO4定义为Bit Input方式,即位输入方式。IO0~IO3作为16路输入通道的地址选通信号,与74LS151的地址输入端(STB、A、B、C引脚)相连。IO4作为数字信号入口,与74LS151的选通输入端连接,具体电路如图3所示。下面的NeuronC源程序可完成对16路数字通道的定时扫描,定时时间为1s;
IO_0 output nibble io_mselect;
//定义半字节输出I/O
IO_4 input bit io_tmp; //定义位输入I/O
Stimer repeating t_circle=1;
//定义并初始化定时器
When(timer_expires(t_circle))
{int i,bit I_num,temp[15]; //定义循环变量、通道状态
//数组、初始化通道号
for(i=0;i<16;i++)
{io_out(io_mselect,I_num) //写通道号
temp[i]=(io_in(io_tmp)= =ON)?1:0)}}//读通道状态并存入状态数组
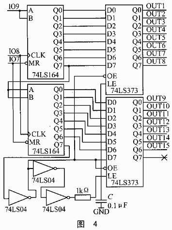
(2)输出部分
如图4所示,输出部分由2片8位移位寄存器74LS164和2片74LS373锁存器组成。74LS164的功能是将NeuronC
I/O口的15位串行帧输出转化为16路并行信号输出。
74LS373锁存器的作用是使74LS164的15路输出在电平转换后加以保持,直至下一次电平转换。为了满足15路并行输出的要求,在时序上需要使2片74LS373严格同步。因此,硬件上增加了非门和RC电路,对2片74LS373的使能信号加以协调。通过实验,证明此电路能够完全满足设计要求。在NeuronC源程序中将IO8、IO9定义为Serial
Output方式,即串行输出方式。其中IO8输出时钟信号,IO9输出串行数据。IO7定义为Bit Input方式,即位输入方式,作为74LS164的清零端。
(3)双向I/O部分
为了使用户对此智能节点的二次开发更为灵活、方便,我们在多点数字模块上设计了3个双向I/O口(IO5、IO6、IO10)。用户可根据自己的需要,利用模块上的拨动开关进行输入、输出切换。
需要注意的是,为了提高智能节点的抗干扰能力,在输入、输出电路中均采用了光电耦合器进行电气隔离。特别在输出端加入了三极管功率放大电路以便于驱动外部继电路。
4 应用实例
水电厂中的水利机组控制系统是一个极为复杂的系统。机组中有众多参量需要测量和控制(包括模拟量和数字量),如调速器开关、灭磁信号、主阀开关、冷却水泵、励磁投放信号、锁锭控制等等。因此,系统对I/O口的需求量较大,传统的智能节点远远不能满足要求。而我们通过对多点I/O智能节点的开发,成功地研制出WSTA2000小型水利机组综合自动化装置。此装置已在水电厂中投入使用,运行情况良好。